建筑电气制图标准
编号:GB/T50786-20124.1
图形符号
4.1.1 图样中采用的图形符号应符合下列规定:
1
图形符号可放大或缩小;
2 当图形符号旋转或镜像时,其中的文字宜为视图的正向;
3
当图形符号有两种表达形式时,可任选用其中一种形式,但同一工程应使用同一种表达形式;
4
当现有图形符号不能满足设计要求时,可按图形符号生成原则产生新的图形符号;新产生的图形符号宜由一般符号与一个或多个相关的补充符号组合而成;
5
补充符号可置于一般符号的里面、外面或与其相交。
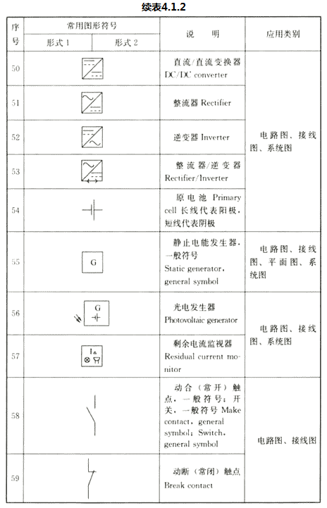
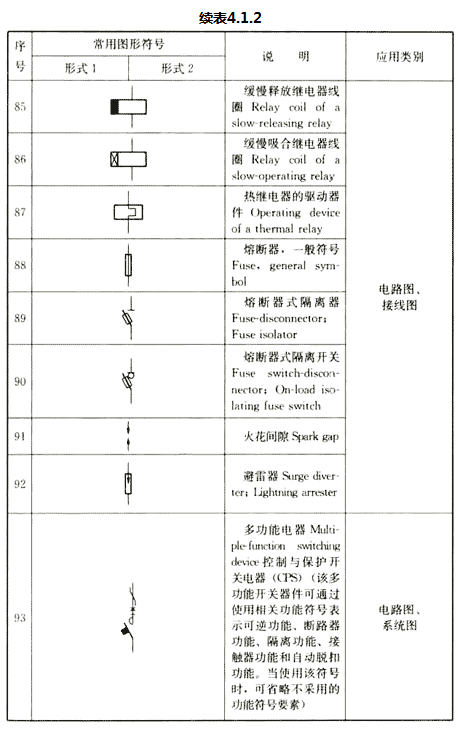
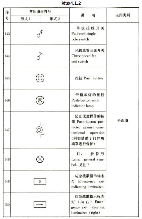
4.1.2
强电图样宜采用表4.1.2的常用图形符号。























注:1
当电气元器件需要说明类型和敷设方式时,宜在符号旁标注下列字母:EX-防爆;EN-密闭;C-暗装。
2 当电击需要区分不同类型时,符号"★"可采用下列字母表示:G-发电机;GP-永磁发电机;GS-同步发电机;M-电动机;MG-能作为发电机或电动机使用的电机;MS-同步电动机;MGS-同步发电机-电动机等。
3 符号中加上端子符号(○)表面是一个器件,如果使用了端子代号,则端子符号可以省略。
4 ▭可作为电气箱(柜、屏)的图形符号,当需要区分其类型时,宜在▭内标注下列字母:LB-照明配电箱;ELB-应急照明配电箱;PB-动力配电箱;FPB-应急动力配电箱;WB-电度表箱;SB-信号箱;TB-电源切换箱;CB-控制箱、操作箱。
5
当信号灯需要指示颜色,宜在符号旁标注下列字母:YE-黄;RD-红;GN-绿;BU-蓝;WH-白。如果需要指示光源种类,宜在符号旁标注下列字母:Na-钠气;Xe-氙;Ne-氖;IN-白炽灯;Hg-汞;I-碘;EL-电致发光的;ARC-弧光;IR-红外线的;FL-荧光的;UV-紫外线的;LED-发光二极管。
6
当电源插座需要区分不同类型时,宜在符号旁标注下列字母:1P-单相;3P-三相;1C-单相暗敷;3C-三相暗敷;1EX-单相防爆;3EX-三相防爆;1EN-单相密闭;3EN-三相密闭。
7
当灯具需要区分不同类型时,宜在符号旁标注下列字母:ST-备用照明;SA-安全照明;LL-局部照明灯;W-壁灯;C-吸顶灯;R-筒灯;EN-密闭灯;G-圆球灯;EX-防爆灯;E-应急灯;L-花灯;P-吊灯;BM-浴霸。
4.1.3 弱电图样的常用图形符号宜符合下列规定:
1 通信及综合布线系统图样宜采用表4.1.3-1的常用图形符号。


2
火灾自动报警系统图样宜采用表4.1.3-2的常用图形符号。




注:1 当火灾报警控制器需要区分不同类型时,符号"★"可采用下列字母表示;C-集中型火灾报警控制器;Z-区域型火灾报警控制器;G-通用火灾报警控制器;S-可燃气体报警控制器。
2 当控制和指示设备需要区分不同类型时,符号"★"可采用下列字母表示:RS-防火卷帘门控制器;RD-防火门磁释放器;I/O-输入/输出模块;I-输入模块;O-输出模块;P-电源模块;T-电信模块;SI-短路隔离器;M-模块箱;SB-安全栅;D-火灾显示盘;FI-楼层显示盘;CRT-火灾计算机图形显示系统;FPA-火警广播系统;MT-对讲电话主机;BO-总线广播模块;TP-总线电话模块。
3
有线电视及卫星电视接收系统图样宜采用表4.1.3-3的常用图形符号。



4 广播系统图样宜采用表4.1.3-4的常用图形符号。

注:1
当扬声器箱、音箱、声柱需要区分不同的安装形式时,宜在符号旁标注下列字母:C-吸顶式安装;R-嵌入式安装;W-壁挂式安装。
2
当放大器需要区分不同类型时,宜在符号旁标注下列字母:A-扩大机;PRA-前置放大器;AP-功率放大器。
5
安全技术防范系统图样宜采用表4.1.3-5的常用图形符号。


\
6
建筑设备监控系统图样宜采用表4.1.3-6的常用图形符号。


4.1.4 图样中的电气线路可采用表4.1.4的线型符号绘制。


4.1.5 绘制图样时,宜采用表4.1.5的电气设备标注方式表示。


注:1 前缀"...."在不会引起混淆时可省略。
2
灯具的标注见第3.4.1条第三款的规定。
3
当电源线缆N和PE分开标注时,应先标注N后标注PE(线缆规格中的电压值在不会引起混淆时可省略)。
条文说明
4.1 图形符号
4.1.1 第1款
图形符号在不改变其含义的前提下可放大或缩小,但图形符号的大小宜与图样比例相协调。
第2款
当图形符号旋转或镜像时,图形符号所包含的文字标注方位,宜为自设计文件下方或右侧为视图正向。
第4款 新的图形符号创建方法可参见《电气技术用文件的编制第1部分:规则》GB/T
6988.1-2008/IEC 61088-1:2006。
4.1.2
1
图形符号主要依据《电气简图用图形符号》GB/T 4728.1-2005~GB/T 4728.5-2005/IEC 60617、《电气简图用图形符号》GB/T
4728.6-2008~GB/T 4728.11-2008/IEC 60617编制。
2
表4.1.2里序号45图形符号一般用于指示仪表等,序号46图形符号一般用于记录仪表等。
3 电源插座在图样中的布置示例见图1。

4.1.3 第1款
1)通信及综台布线系统图形符号主要依据《电气简图用图形符号》GB/T 4728.9-2008/IEC
60617、GB/T 4728.11-2008/IEC 60617和行业标准《电信工程制图与图形符号规定》YD/T
5015-2007编制。
2)当设计文件说明时,TO可表示一个电话插座和一个数据插座。示例可见本标准图10。
3)电话插座在图样中的布置示例见图2,文字标注方位为自设计文件下方和右侧为视图正向。

第2款
火灾自动报警系统常用图形符号主要依据《消防技术文件用消防设备图形符号》GB/T 4327-2008和《火灾报警设备图形符号》GA/T
229。
第5款 安全技术防范系统常用图形符号主要依据行业标准《安全防范系统通用图形符号》GA/T 74-2000编制。
第6款
建筑设备监控系统常用图形符号主要依据《工业系统、装置与设备以及工业产品信号代号》GB/T 16679-2009/IEC
61175:2005编制。
4.1.4
当图样中的电气线路采用实线绘制不会引起混淆时,电气线路可不采用表4.1.4所示的线型符号。例如当综合布线系统单独绘制时,其线路可采用实线表示,其间或其上不用加GCS标注。
4.1.5
1
系统图电气箱(柜、屏)采用表4.1.5序号2标注方式时,如果参照代号已含有位置信息,标注b可省略。
2
线缆采用表4.1.5序号8标注方式时,标注内容应符合本标准第3.4.2条第1款的规定。
当电源线缆N和PE分开标注时,应先标注N后标注PE。举例如下:
例1:YJV-0.6/1kV-4×25+1×16或YJV-0.6/1kV-3×25+1×25+1×16(N线截面和相线截面一致)。
例2:YJV-0.6/1kV-3×50+2×25(N和PE线截面一致)。
例3:YJV-0.6/1kV-3×6+1×10+1×6(N线截面高于相线截面或不同于PE线截面时)。
例4:BV-450/750V 3×2.5(单相相线、N线和PE线截面一致)。