气体消防系统选用、安装与建筑灭火器配置
编号:GJBT-1009
颁布时间:2007/6/1
是否常用:是
是否有效:现行有效
分类:消防设施
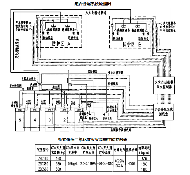
柜式低压二氧化碳灭火系统原理图


说明:1.柜式低压二氧化碳灭火装置应设置在靠近防护区的专用灭火装置设备间内。装置操作面距墙面或两操作面之间的距离不宜小于1.0m,灭火装置设备间环境温度-23℃~49℃。
2.柜式低压二氧化碳灭火系统装置设备间布置详见本图集“IG-100气体灭火系统设计计算举例”。喷嘴与高压二氧化碳灭火系统、储罐式低压二氧化碳灭火系统相同,详见本图集“高压二氧化碳灭火系统说明”。
3.低压二氧化碳灭火系统主要组件功能详见本图集“低压二氧化碳灭火系统说明”。