气体消防系统选用、安装与建筑灭火器配置
编号:GJBT-1009
颁布时间:2007/6/1
是否常用:是
是否有效:现行有效
分类:消防设施
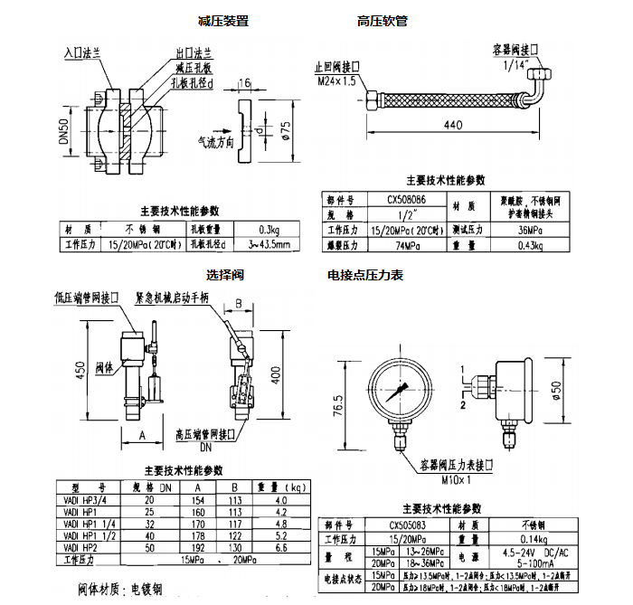
IG-100气体灭火系统主要组件外形图
(减压装置、选择阀、高压软管、集流管、电接点压力表)

